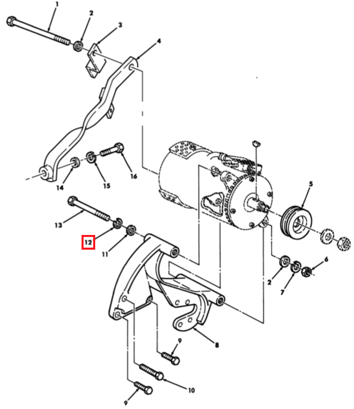
MS35338-46 WASHER, LOCK, 3'8
Part #: MS35338-46 ; MS35335-65 ; AEW07X375093BD6A81 ; P49866-11
Description: WASHER, LOCK, 3'8
NSN: 5310-00-637-9541 ; 5310006379541
5310-00-655-6151 ; 5310000115093
| Pos. # | Image | NSN | Part Number | Description |
| 1 | 2510-01-185-6115 | 12339133 | BRACKET, MOUNT RESIL R.H. | |
| 2 |
|
5305-00-068-0511 | B1821BH038C125N |
SCREW,CAP,HEXAGON H 3/8-16 X 1.25 |
| 3 | ![]() |
5310-00-080-6004 | MS27183-14 |
WASHER,FLAT 3/8 |
| 4 | ![]() |
2510-01-185-6112 | 12339132 | BRACKET, ENGINE MOUNT L.H. |
| 5 | ![]() |
5310-00-637-9541 | MS35338-46 | WASHER, LOCK, 3'8 |
| 6 | ![]() |
5305-00-068-0510 | B1821BH038C100N | SCREW, CAP, HEX 3/8-16X1.00 |
| 7 | ![]() |
5342-01-189-9982 | 12339179 | MOUNT, RESILIENT |
| 8 | ![]() |
5310-00-488-3889 | MS51943-39 | NUT, SELF-LOCKING, HEX 1/2-13 |
| 9 | ![]() |
5310-01-121-1703 | 2130-0143-001 | WASHER, FLAT 1/2 |
| 10 | ![]() |
2510-01-185-6113 | 12338205 | BRACKET, ENGINE MOUNT LH |
| 11 | ![]() |
5305-00-071-2081 | B1821BH050C450N | SCREW, CAP, HEX, 1/2-13X4.50 |
| 12 | ![]() |
2510-01-185-6114 | 12338183 | BRACKET, ENGINE MOUNT RH |
| 13 | ![]() |
5340-01-186-7173 | 12338163 | BRACKET, ANGLE RH |
| 14 | ![]() |
5305-00-071-2067 | B1821BH050C125N | SCREW, CAP, HEX 1/2-13X1.25 |
| 15 | ![]() |
5310-00-935-9021 | MS51943-35 | NUT, SELF-LOCKING, HEX 3/8-16 |











