MS35338-45 WASHER, LOCK
Part #: MS35338-45 ; AEW07X312078GF6A81
Description: WASHER, LOCK, 5'16
NSN: 5310-00-407-9566 ; 5310004079566

| Pos. # | Image | NSN | Part Number | Description |
| 1 |
|
4330-01-189-1007 | 12339198 | FILTER-SEPARATOR,LIQUID FUEL |
| 1 | ![]() |
4330-01-189-1007 | 12339198 | FILTER-SEPARATOR,LIQUID FUEL(AFTERMARKET) |
| 2 |
|
5305-01-190-4073 | SA609010 | .SCREW,MACHINE |
| 4 |
|
5310-00-809-4058 | A609014 | .WASHER,FLAT 1/4 |
| 6 | ![]() |
4330-01-189-0889 | 05741059 | .FILTER-SEPARATOR,LIQUID FUEL |
| 7 | ![]() |
4330-01-280-8417 | SC220072 | .FILTER ELEMENT,FLUID |
| 8 |
|
5331-01-335-7592 | A618017 | .O-RING PART OF KIT P7N A910044 |
| 10 | ![]() |
4820-01-431-2499 | 12446751 | COCK,DRAIN |
| 11 |
|
4730-01-118-8278 | MMF4-SS | CLAMP,HOSE |
| 12 |
|
5588767 | 5588767 | HOSE MAKE FROM HOSE P/N 9438257, 26 INCHES LONG |
| 13 |
|
5340-00-984-8540 | MS21333-102 | CLAMP,LOOP |
| 14 |
|
5588767 | 4397080-002 | HOSE,FUEL DRAIN MAKE FROM HOSE,P/N 9438257, 30 INCHES LONG |
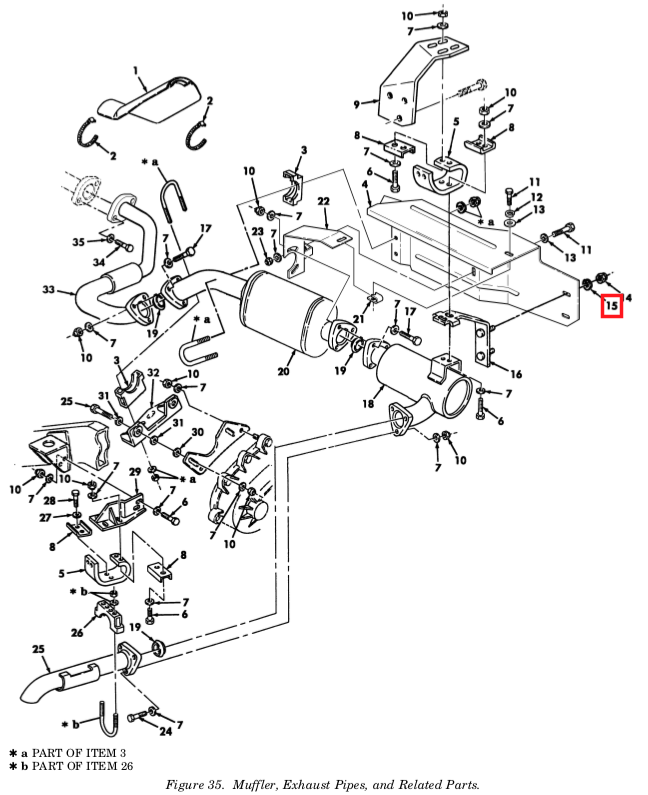
| 15 | 5310-00-124-9265 | 271169 | NUT,PLAIN,ASSEMBLED #10-32 | |
| 16 |
|
4730-01-186-5994 | 12339888 | ADAPTER,STRAIGHT,PIPE TO HOSE |
| 17 | ![]() |
5305-00-068-0502 | MS90725-6 | SCREW,CAP,HEXAGON H 1/4-20 X 3/4 |
| 18 |
|
5340-01-186-8768 | 12338563 | BRACKET,PIPE |
| 19 |
|
5310-01-066-6759 | 21NE-040 | NUT,SELF-LOCKING,HE 1/4-20 |
| 20 | 5310-00-407-9566 | MS35338-45 | WASHER,LOCK 5/16 | |
| 21 |
|
5306-00-226-4825 | B1821BH031C075N | BOLT,MACHINE 5/16-18 X 3/4 |
| 22 |
|
4730-00-024-3971 | 62606 | CLAMP, HOSE |
| 23 |
|
4730-01-412-5213 | 12342951-2 | ADAPTER,STRAIGHT,PIPE TO HOSE |
| 24 | ![]() |
4820-01-456-0172 | 12342953-2 | VALVE,CHECK |





