MS27183-9 WASHER, FLAT, 1'4

  • €0,25 + VAT (%20)
    Unit price per 
    + VAT (%20)

Only 0 left!
Delivery time 6-8 weeks
Will not ship until

Part #: MS27183-9 ; 5593231

Description: WASHER, FLAT, 1'4

NSN: 5310-00-823-8804 ; 5310008238804


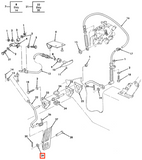
Pos. # Image NSN  Part Number Description
1 5310-01-398-0319 9424215 NUT SELF-LOCKING 1/4-20
2 5340-01-475-3480 RCSK18417 BRACKET, ANGLE, OIL COOLER LH
2 5340-01-475-3485 RCSK18416 BRACKET, ANGLE, OIL COOLER RH
3 5342-01-475-6655 EX4617-1 BRACKET, ENGINE, OIL COOLER RH
3 5342-01-475-6643 EX4617 BRACKET, ENGINE, OIL COOLER LH
4 5342-01-274-9884 5597890 BUMPER, BRAKE CABLE BAR
6 5310-01-102-3270 2436161 WASHER, FLAT, 1/4
7 5310-00-061-4650 M45913/3-4CG8C NUT, SELF-LOCKING HEX 1/4-20
8 5305-00-914-3818 MS51975-8 SCREW, SHOULDER [1/4-20 X 0.93]
9 5365-01-474-7490 RCSK18415 SPACER, SLEEVE
10 5340-01-475-3464 RCSK18418 CLIP, SPRING TENSION
11 5305-00-068-7837 B1821BH025C063N SCREW, CAP HEX H 1/4-20 X 5/8
12  
2930-01-433-2550 RCSK17277 COOLER, LUBRICATING
15 5310-00-809-4058 MS27183-10 WASHER, FLAT 1/4
16 5340-01-475-5065 RCSK18419 BRACKET, ANGLE
17 2510-01-565-7327 12469376 ROD, SUPPORT OIL COOLER
19 5340-01-229-3632 COV-1609 CLAMP, LOOP
20 5310-00-823-8804 MS27183-9 WASHER, FLAT 1/4
22 5305-00-191-3640 MS51851-85 SCREW,TAPPING 3/8-16 X 1.25
23 4720-01-457-6586 RCSK17579-3 HOSE ASSEMBLY, NONME OUTLET, 55.25"
23 4720-01-457-6586 RCSK17579-3 HOSE ASSEMBLY, NONME OUTLET, 55.25"(AFTERMARKET)
24 4720-01-446-7223 RCSK17579-2 HOSE ASSEMBLY, NONME  INLET, 65.75"
24 4720-01-446-7223 RCSK17579-2 HOSE ASSEMBLY, NONME  INLET, 65.75"(AFTERMARKET)
25 5305-00-051-8605 MS16995-77 SCREW, CAP, SOCKET HEAD  3/8-16 X 3/4
26 5310-00-637-9541 MS35338-46 WASHER, LOCK 3/8
27

5340-01-212-4714

12338777

BRACKET, ANGLE
28 5340-01-210-2747 12338779 BRACKET, OIL COOLER
29 5305-00-068-0509 B1821BH025C125N SCREW, CAP, HEX, H 1/4-20 X 1.25