MS27183-10 WASHER, FLAT 1/4
PART #: MS27183-10
NSN: 5310-00-809-4058 ; 5310008094058
DESCRIPTION: WASHER, FLAT 1/4

| Pos. # | Image | NSN | Part Number | Description |
| 1 | ![]() |
5310-01-398-0319 | 9424215 | NUT SELF-LOCKING 1/4-20 |
| 2 | 5340-01-475-3480 | RCSK18417 | BRACKET, ANGLE, OIL COOLER LH | |
| 2 | ![]() |
5340-01-475-3485 | RCSK18416 | BRACKET, ANGLE, OIL COOLER RH |
| 3 | ![]() |
5342-01-475-6655 | EX4617-1 | BRACKET, ENGINE, OIL COOLER RH |
| 3 | ![]() |
5342-01-475-6643 | EX4617 | BRACKET, ENGINE, OIL COOLER LH |
| 4 |
|
5342-01-274-9884 | 5597890 | BUMPER, BRAKE CABLE BAR |
| 6 |
|
5310-01-102-3270 | 2436161 | WASHER, FLAT, 1/4 |
| 7 | ![]() |
5310-00-061-4650 | M45913/3-4CG8C | NUT, SELF-LOCKING HEX 1/4-20 |
| 8 |
|
5305-00-914-3818 | MS51975-8 | SCREW, SHOULDER [1/4-20 X 0.93] |
| 9 |
|
5365-01-474-7490 | RCSK18415 | SPACER, SLEEVE |
| 10 |
|
5340-01-475-3464 | RCSK18418 | CLIP, SPRING TENSION |
| 11 |
|
5305-00-068-7837 | B1821BH025C063N | SCREW, CAP HEX H 1/4-20 X 5/8 |
| 12 |
![]() |
2930-01-433-2550 | RCSK17277 | COOLER, LUBRICATING |
| 15 |
|
5310-00-809-4058 | MS27183-10 | WASHER, FLAT 1/4 |
| 16 |
|
5340-01-475-5065 | RCSK18419 | BRACKET, ANGLE |
| 17 |
|
2510-01-565-7327 | 12469376 | ROD, SUPPORT OIL COOLER |
| 19 |
|
5340-01-229-3632 | COV-1609 | CLAMP, LOOP |
| 20 | ![]() |
5310-00-823-8804 | MS27183-9 | WASHER, FLAT 1/4 |
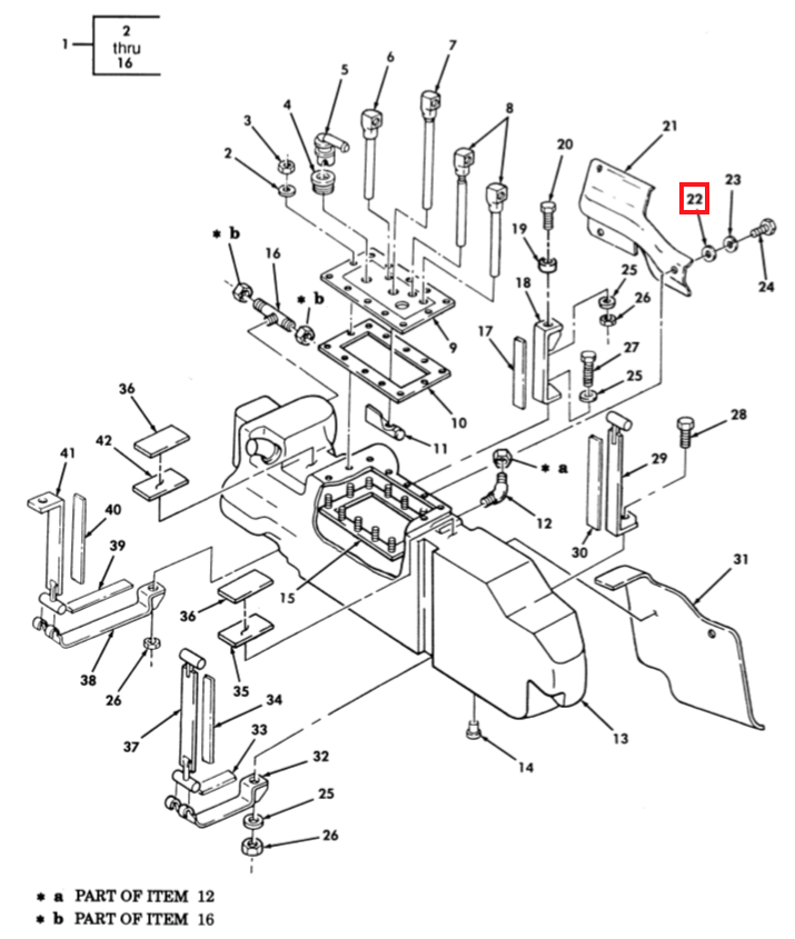
| 22 |
|
5305-00-191-3640 | MS51851-85 | SCREW,TAPPING 3/8-16 X 1.25 |
| 23 |
|
4720-01-457-6586 | RCSK17579-3 | HOSE ASSEMBLY, NONME OUTLET, 55.25" |
| 23 |
|
4720-01-457-6586 | RCSK17579-3 | HOSE ASSEMBLY, NONME OUTLET, 55.25"(AFTERMARKET) |
| 24 |
|
4720-01-446-7223 | RCSK17579-2 | HOSE ASSEMBLY, NONME INLET, 65.75" |
| 24 |
|
4720-01-446-7223 | RCSK17579-2 | HOSE ASSEMBLY, NONME INLET, 65.75"(AFTERMARKET) |
| 25 | ![]() |
5305-00-051-8605 | MS16995-77 | SCREW, CAP, SOCKET HEAD 3/8-16 X 3/4 |
| 26 | ![]() |
5310-00-637-9541 | MS35338-46 | WASHER, LOCK 3/8 |
| 27 | ![]() |
12338777 |
BRACKET, ANGLE | |
| 28 | 5340-01-210-2747 | 12338779 | BRACKET, OIL COOLER | |
| 29 |
|
5305-00-068-0509 | B1821BH025C125N | SCREW, CAP, HEX, H 1/4-20 X 1.25 |









