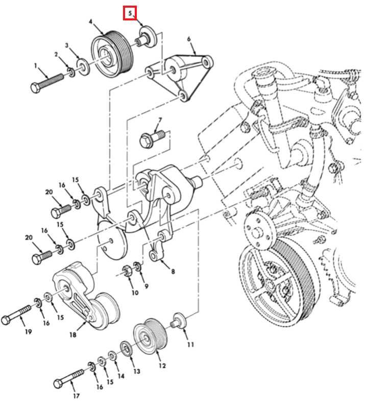
12469108 SPACER, IDLER PULLEY
Part #: 12469108 ; RCSK18626
Description: SPACER, IDLER PULLEY
NSN: 3020-01-458-0176 ; 3020014580176

| Pos. # | Image | NSN | Part Number | Description |
| 1 | ![]() |
5305-00-071-2074 | B1821BH050C275N | SCREW,CAP,HEXAGON H 1/2-13x2.75 |
| 2 |
|
5310-00-809-5998 | SCD13617-8 | WASHER,FLAT |
| 3 |
|
3020-01-458-0185 | RCSK18627 | COVER,IDLER PULLEY |
| 4 | ![]() |
3020-01-462-1202 | RCSK18628 | PULLEY, FLAT |
| 5 | ![]() |
3020-01-458-0176 | 12469108 | SPACER,IDLER PULLEY |
| 6 |
|
5310-00-482-9493 | 120384 | WASHER,LOCK |
| 7 |
|
5310-01-465-4525 | 9418753 | NUT,PLAIN,HEXAGON |
| 8 |
|
5310-01-480-4161 | 5934761 | WASHER,SHOULDERED |
| 9 | ![]() |
2590-01-444-3317 | RCSK18278-6 | BRACKET,VEHICULAR COMPONENTS |
| 10 | ![]() |
5306-01-473-1895 | 11501619 | BOLT,MACHINE |
| 11 |
|
5310-01-206-7306 | 11500207 | WASHER,LOCK |
| 12 |
|
5306-01-432-7900 | 11504617 | BOLT,MACHINE |
| 13 |
|
5306-01-447-2568 | 11504594 | BOLT,MACHINE |
| 14 |
|
3802287 |
TENSIONER |
|
| 14 |
|
3802287 |
TENSIONER (AFTERMARKET) |
|
| 15 |
|
5305-01-360-1136 | 11505328 | SCREW,CAP,HEXAGON HEAD |
| 16 | ![]() |
5305-01-480-5408 | B1821BH050C775N | SCREW,CAP,HEXAGON H 1/2-13 x 7.75 |
| 17 | 3020-01-480-8698 | 12380024 | RETAINER,PULLEY | |
| 18 |
|
3020-01-482-1834 | 12380007 | PULLEY,GROOVE |
| 19 | ![]() |
5365-01-480-5282 | RCSK18683 | SPACER,SLEEVE |
| 20 |
|
5307-01-408-4029 | 12342545 | STUD,SHOULDERED |
| 21 |
|
5340-01-481-0558 | 12469107 | BRACKET,MOUNTING |






