MS27183-15 WASHER .44x1.00x.083t FLAT
PART #: MS27183-15 ; 120388
NSN: 5310-00-809-4061 ; 5310008094061
5310-00-012-0388 ; 5310000120388
DESCRIPTION: WASHER .44x1.00x.083t FLAT

| Pos. # | Image | NSN | Part Number | Description |
| 1 |
|
5305-00-071-2075 | B1821BH050C300N | SCREW,CAP HEXAGON H .050-13X3.00 |
| 2 |
|
5310-00-584-5272 | MS35338-48 | WASHER,LOCK |
| 3 |
|
3020-01-488-8698 | 12380024 | RETAINER,PULLEY |
| 4 |
|
3020-01-444-1665 | 12380007 | PULLEY,GROOVE |
| 5 |
|
3020-01-458-0176 | RCSK18626 | SPACER,IDLER PULLEY |
| 6 | ![]() |
5340-01-497-2269 | 12469476 | BRACKET,MOUNTING |
| 7 |
|
5306-01-270-5448 | 12340845-3 | SCREW,CAP HEXAGON |
| 8 | ![]() |
5340-01-488-6181 | 12469498 | BRACKET,TENSIONER |
| 9 |
|
5310-01-206-7306 | 11500207 | WASHER,LOCK |
| 10 |
|
5310-01-366-3539 | B18241B100 | NUT,PLAIN HEXAGON |
| 11 | ![]() |
5365-01-488-5640 | 12469473 | SPACER,STEPPED |
| 12 | ![]() |
3020-01-491-0076 | 600635 |
PULLEY,FLAT(OEM) |
| 12 |
|
3020-01-491-0076 | 600635 |
PULLEY,FLAT(AFTERMARKET) |
| 13 |
|
5340-01-491-2205 | 600638 | BOOT,DUST AND MOIST |
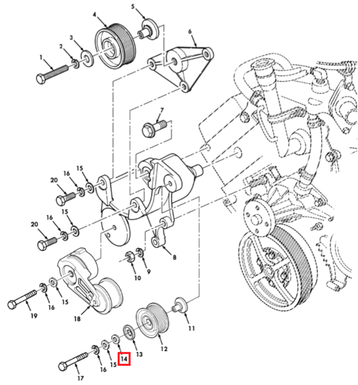
| 14 | ![]() |
5310-00-012-0388 | 120388 | WASHER,FLAT |
| 15 |
|
5310-01-412-4013 | 2436163 | WASHER,FLAT |
| 16 |
|
5310-00-637-9541 | MS35338-46 | WASHER,LOCK |
| 17 |
|
5305-00-543-2866 | B1821BH038C250N | SCREW,CAP HEXAGON H .375-16 X 2.50. |
| 18 | ![]() |
2920-01-491-2011 | 600637 | ARM,ADJUSTING |
| 18 |
|
2920-01-491-2011 | 600637 | ARM,ADJUSTING(AFTERMARKET) |
| 19 |
|
5305-00-781-3927 | B1821BH038C350N | SCREW,CAP HEXAGON |
| 20 |
|
5305-00-725-2317 | B1821BH038C150N | BOLT,MACHINE .375-16X1.50 |





