MS35338-44 WASHER, LOCK, 1'4
Part #: MS35338-44
NSN: 5310-00-582-5965; 5310005825965
Description: WASHER, LOCK, 1'4

| Pos. # | Image | NSN | Part Number | Description |
| 1 |
|
2990-01-411-2728 | 12460087 | GUARD,MUFFLER-EXHAUST PIPE,NONAIRCRAFT |
| 2 | 4730-00-908-6292 | 11608950-13 | CLAMP,HOSE | |
| 3 | ![]() |
5340-01-226-1718 | 12338343-2 | CLAMP,LOOP |
| 4 |
|
2990-01-560-2546 | 12469345 | HEAT SHIELD, EXHAUST |
| 5 | ![]() |
2540-01-309-4459 | 12338337 | INSULATION, THERMAL |
| 6 | ![]() |
5305-00-068-0511 | B1821BH038C125N | SCREW,CAP,HEXAGON H .375-16 X 1.25 |
| 7 | ![]() |
5310-00-080-6004 | MS27183-14 | WASHER,FLAT 3/8 |
| 8 |
|
5340-01-212-4887 | 5588675 | STRAP,RETAINING |
| 9 |
|
2990-01-187-7030 | 12338221 | BRACKET,HANGER,EXHAUST |
| 10 | ![]() |
5310-00-935-9021 | MS51943-35 | NUT,SELF-LOCKING,HE 3/8 X 16 |
| 11 | ![]() |
5305-00-068-0508 | B1821BH025C075N | SCREW,CAP HEXAGON |
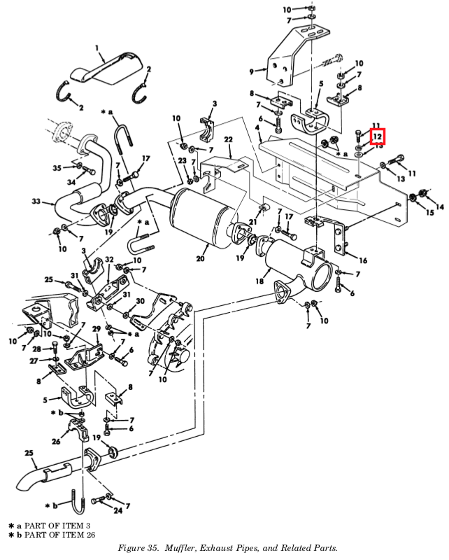
| 12 |
|
5310-00-582-5965 | MS35338-44 | WASHER,LOCK |
| 13 |
|
5310-00-809-4058 | MS27183-10 | WASHER,FLAT |
| 15 | ![]() |
5310-00-407-9566 | MS35338-45 | NUT,PLAIN EXTENDED |
| 16 |
|
5340-01-413-2689 | 12460083 | BRACKET,MOUNTING |
| 17 | ![]() |
5305-00-638-8920 | B1821BH038C225N | SCREW,CAP HEXAGON H .375-16 X 2.25 |
| 18 | 2990-01-411-3947 | 12460090 | MUFFLER,EXHAUST | |
| 19 | ![]() |
5330-01-200-0466 | 12338339 | GASKET |
| 20 | ![]() |
2990-01-497-1042 | 12469353 | CONVETER,CATALYTIC |
| 21 | ![]() |
5310-01-253-6439 | 12339425 | NUT,SPEED |
| 22 |
|
2590-01-560-2737 | 12469346 | SUPPORT,HEATSHIELD |
| 23 | ![]() |
5310-00-061-4650 | MS51943-31 | NUT,SELF-LOCKING HEX |
| 24 |
|
5305-00-782-9489 | B1821BH038C200N | SCREW,CAP HEXAGON H 3/8-16 X 2.00 |
| 25 | 2990-01-433-4422 | 12469350 | PIPE,EXHAUST | |
| 26 | ![]() |
5340-01-212-3553 | 12338343-1 | CLAMP,LOOP |
| 27 | ![]() |
5310-00-637-9541 | MS35338-46 | WASHER,LOCK 3/8 |
| 28 | ![]() |
5305-00-068-0510 | B1821BH038C100N | SCREW,CAP HEXAGON H 3/8-16 X 1.00 |
| 29 | ![]() |
2990-01-211-8587 | 12338346 | HANGER,ENGINE,EXHAUST |
| 30 |
|
5310-01-211-3811 | 9417793 | WASHER,FLAT 3/8 |
| 31 |
|
5325-01-187-1604 | 12338338 | GROMMET,NONMETALLIC |
| 32 |
|
5340-01-211-3137 | 12338340 | BRACKET,ANGLE |
| 33 | 2990-01-422-2826 | 12460487 | PIPE,EXHAUST | |
| 34 |
|
5306-01-455-8016 | 15728527 | BOLT,MACHINE M10-10.50 X .50 |
| 35 | ![]() |
5310-01-412-4013 | 2436163 | WASHER,FLAT 3/8 |














![B1821BH038C100N / BOLT, HEX HEAD [3/8-16 X 1.00]](https://cdn.shopify.com/s/files/1/0084/7229/7562/products/B1821BH038C100N.jpg?v=1642757189)

